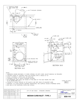
Type J Curb Inlet

The Type J Curb Inlet is typically used in a median where you have a curb on both sides of the structure. The 24" light traffic ring and cover sit in the median. This structure has a 4' x 4' core that will extend full height from the pipe to the curb. This Curb Inlet collects water from the gutter and drains into pipe below. Typically it will have one pipe coming out of it, but may have more pipes if necessary. There may be an opening one one side, with a closed curb on the opposite, or this structure may have an opening on two opposing sides. Another use would be if there were exisiting utilities behind the curb that required a narrower structure.