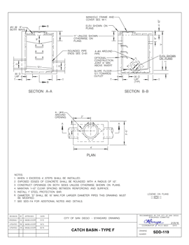
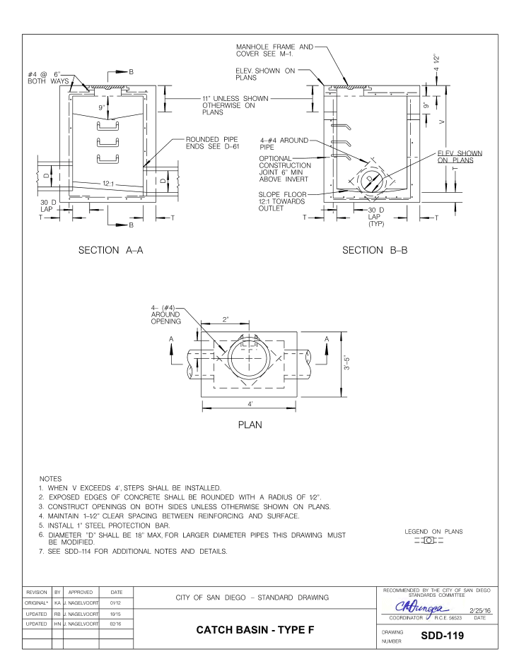
Type F Catch Basin

The Type F Catch Basin is normally used in landscape areas, or desilting basins. This Catch Basin has a core dimension of 3' x 2'6" that will extend full height from the pipe to the curb. The top of the structure uses a 24" light traffic ring and cover. This Catch Basin will have openings on the sides at the top for water to drian to the pipe below. Typically it will have one pipe coming out of it, but may have more pipes if necessary. There can be one window on each side, or just one window on one side.